フライス盤や旋盤は,一般に90度(直角)の角度の加工を行う。しかし,場合によっては,90度以外の角度で材料を削る必要が生じることもある。 
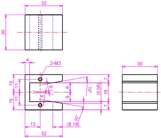
 例えば,図1に示す魚ロボットの関節付け根の部品では,10度の傾きをつける。このような部品を作る場合,ジグと呼ばれる固定具を利用する。図2は,図1の部品を製作する際に準備したジグであり,厚さ8 mmのアルミニウム合金を台形に削ったものである。ジグの横幅を長くすれば,比較的精度が高い角度に設定できる。
  | 
  
図1 魚ロボットの部品図 
| 
 製作する部品の部品図。切り欠き部分を10度の角度で削らなければならない。
 |   
 |