|
機械設計のための基礎製図
第4章 投影法と第三角法
4.1 投影法
投影法とは,立体を図面という1枚の平面上に,正確に表現する方法である。その原理は,投影面の前に物体を置き,これに光線を当て,その投影面に映る品物の影を映しとるというものである。すなわち,光線の角度や投影面と物体の位置などによって様々な種類の投影法がある。
4.2 投影法の種類
投影法は,平行光線によって投影する平行投影と放射光線または非平行光線によって投影する透視投影に分類される。以下,代表的な投影法について簡単に説明する。


(1) 第三角法
第三角法は,平行投影に含まれ,投影面に直角な方向で投影する。機械製図に使用する投影法の中で最も重要な投影法であり,機械工学科の学生は必ず修得しておく必要がある。
(2) 等角投影
等角投影は,立体図を作図するための投影法であり,物体を傾けて平行光線を投影する。
(3) 斜投影
斜投影は,立体図を作図するための投影法であり,平行光線を投影面に傾けて投影する。
(4) 透視投影
透視投影は,放射光線による投影であり,実際の目で見ているような遠近感のある立体図を作図できる。
4.3 第三角法
一般に機械製図で用いられるのは第三角法による投影である(教科書p.44,図4-2参照)。一般的な第三角法による図面は,図4.1に示すように,正面図(前から見た図),平面図(上から見た図)及び側面図(横から見た図)から構成され,それらを描く位置は厳密に決められている。すなわち,正面図の真上に平面図を描き,正面図の真横(普通は右側)に側面図を描く。また,正面図は品物の最も代表的な面とすることが決められている。普通の図面は3方向からの図面で立体の形状を適切に表すことができ,そのような図面を三面図と呼ぶ。なお,円柱などの場合は2方向からの図面ですむ場合もある。
|
図4.1 第三角法による三面図
|
覚えておきたい!
●第三角法は,正面図,側面図,平面図で構成される。
●第三角法は,機械製図で最も重要な投影法である。
●正面図は物体の最も代表的な面とする。
●平面図は正面図の真上に作図する。
●側面図は正面図の真横(普通は右)に作図する。
●円柱の場合,平面図を省略できる。
|
間違った第三角法
初学者が間違いやすいいくつかの例を紹介する。
●正面図・側面図・平面図を描く位置は決まっている!
右の図のように,正面図,側面図,平面図を横に並べたり,あるいはバラバラな位置に作図してはいけない(右図)。上述の通り,正面図の真上に平面図を描き,正面図の真横に側面図を描くのが第三角法である。
●奥行が異なることはない!
全ての立体において,側面図と平面図の奥行は同じである。しかし,寸法を読み違えるためか,奥行が同じでない図面を見かけることがある(右図)。
●線種を使い分ける!
三面図の作図は,今後の機械製図のための練習である。中心線やかくれ線などもしっかりと作図するように心がけたい。
|
4.4 三面図の必要性
以下,第三角法による三面図は実際の機械図面でどのように使われるのか,また,なぜ重要なのか,いくつかの実験用魚ロボットの図面を見ながら考えてみる。
(1) 第三角法と部品図
三面図に寸法や加工方法などの情報を加えると機械加工の際に使用する部品図となる(図4.2)。部品図は,部品を製作するために必要な全ての情報が含まれている。一方,機械加工では旋盤やフライス盤がよく使われる。旋盤加工は,外面加工の方向(左右)と端面加工の方向(前後)の直交する2軸の運動を組み合わせて部品を仕上げていく。フライス加工では,左右方向,前後方向,高さ方向の直交する3軸の運動を組み合わせて部品を仕上げる。すなわち,正面図,側面図,平面図から構成される三面図は,機械加工を行う際に極めて都合がよい。

(a) 主に旋盤加工で作る部品
|

(b) フライス加工で作る部品
|
図4.2 部品図の例
旋盤加工
上述の通り,旋盤加工では,外面加工の方向(左右)と端面加工の方向(前後)の運動を組み合わせて部品を削っていく。下の写真は,図4.2(a)に示した円柱容器状の部品を旋盤加工で製作する手順である。部品図を見ながら,このような作業を進め,寸法を合わせていくことになる。

(1) 旋盤
|

(2) 材料のチャック
|

(3) 端面加工
|

(4) 外面加工
|

(5) 中ぐり加工
|

(6) 部品完成
|
|
フライス加工
通常のフライス加工では,左右方向,前後方向,高さ方向の直交する3軸の運動を組み合わせて部品を削っていく。下の写真は,図4.2(b)に示した部品をフライス加工で製作する手順である。旋盤加工と同様,部品図を見ながら,このような作業を進める。
|
(1) フライス盤
|

(2) エンドミル
|

(3) 端面加工(横)
|

(4) 端面加工(縦)
|

(5) 端面加工(3軸)
|

(6) ドリル加工(上下)
|

(7) 部品完成
|
|
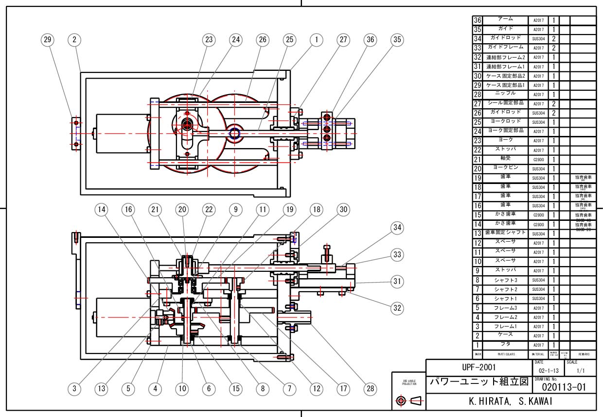
(2) 第三角法と組立図
いくつかの部品図を合わせていくと組立図となる(図4.2)。通常の機械は,前,上,横からの3方向から表した図面があれば,それぞれの部品がどのように構成されるのかがわかる。外観(見かけ)だけを表すのであれば,等角投影図や斜投影図などが適していることもあるが,細かい部品の位置や形状などの詳細な情報を伝えるためには第三角法による三面図が適している。

(a) 実験用魚ロボットの組立図
|

(b) 実験用魚ロボットのパワーユニット
|
図4.3 組立図の例
「魚ロボット・ホームページ」へ
4.5 課題
【課題@】図1の立体の三面図を作図しなさい。
●重要:平面図は正面図の真上,側面図は正面図の真横に描く!
●1目盛を5mmとして,実寸で作図すること。
|

図1
|
【課題A】図2の立体の三面図を作図しなさい。
●1目盛を5mmとして,実寸で作図すること。
●2つの穴があいている。中心線を作図すること。
|

図2
|
【課題B】図3の立体の三面図を作図しなさい。
●1目盛を5mmとして,実寸で作図すること。
●直径10mmの穴があいている。
|

図3
|
【課題C】図2の部品と図3の部品は,図4の部品(直径10mm,長さ20mmのピン)を使って組み立てられる。3つの部品が組み立てられた状態の三面図を作図しなさい。
|

図4
|
【課題D】図5の立体の三面図を作図しなさい。
●1目盛を5mmとして,実寸で作図すること。
●かくれ線を記入すること。
|

図5
|
【課題E】図5の立体にもう1つの部品を組み合わせて,1辺の長さが40mmの容器を作る(図6)。新たに作る部品の三面図を作図しなさい。
|

図6
|
配布プリントのPDFファイル(平成14年度)
配布プリントのPDFファイル(平成13年度)
|